CUET PG Nanoelectronics 2025 Question Paper (Available): Download Question Paper with Answer Key And Solutions PDF

Shivam Yadav's profile photo

Shivam Yadav

Updated on - Oct 1, 2025

The CUET PG Nanoelectronics Exam 2025 is scheduled between 13th May and 3rd June. After the exam, students will be able to download the CUET 2025 Nanoelectronics question paper, answer key, and solution PDF. This exam evaluates understanding of semiconductor devices, quantum electronics, VLSI design, nanoscale materials, CMOS technology, and nano-fabrication techniques.

The paper consists of 75 questions, to be completed in 60 minutes, totaling 300 marks. Students get 4 marks for each correct answer and lose 1 mark for each incorrect response.

CUET PG Nanoelectronics 2025 Question Paper with Answer Key PDF

CUET PG Nanoelectronics Question Paper with Solutions PDF Download PDF Check Solutions


CUET PG Nanoelectronics 2025 Question Paper with Solutions

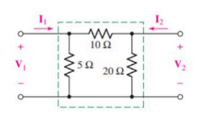
Question 1:

Determine the node voltages \( v_1 \) and \( v_2 \) for the given circuit:

  • (1) \( v_1 = 10 \, V, v_2 = 20 \, V \)
  • (2) \( v_1 = 20 \, V, v_2 = 10 \, V \)
  • (3) \( v_1 = 20 \, V, v_2 = 20 \, V \)
  • (4) \( v_1 = 10 \, V, v_2 = 10 \, V \)

Question 2:

Evaluate the mesh current \( i_1 \) in the given circuit:

  • (1) \( i_1 = 0.132 \, A \)
  • (2) \( i_1 = 1.132 \, A \)
  • (3) \( i_1 = 1.05 \, A \)
  • (4) \( i_1 = 0.105 \, A \)

Question 3:

In a circuit, the maximum power will be transferred only if the load resistance is equal to ...........

  • (1) Source resistance (RS)
  • (2) Thevenin's equivalent resistance (RT)
  • (3) Four times of the source resistance (4RS)
  • (4) Four times of the Thevenin's equivalent resistance (4RT)

Question 4:

Choose the correct statement from the options below:

  • (1) Non-linear distortion is expected to be minimum in Single Side-band Suppressed Carrier (SSB-SC) systems and Amplitude Modulation (AM).
  • (2) The AM system has a suppressed carrier system, which is cheaper than the performance point of view.
  • (3) The receiver of a suppressed carrier system is simpler and cheaper than that of the AM system.
  • (4) The AM system is always easier to analyze and more efficient.

Question 5:

The voltage across the inductor for \( t > 0 \) in the given circuit is:

  • (1) \( v = 25e^{\gamma t} \, V \)
  • (2) \( v = 25e^{-\gamma t} \, V \)
  • (3) \( v = -25e^{\gamma t} \, V \)
  • (4) \( v = -25e^{-\gamma t} \, V \)

Question 6:

Determine the Y11 and Y12 parameters for the circuit given below:

  • (1) \( Y_{11} = 0.3 \, S, Y_{12} = -0.1 \, S \)
  • (2) \( Y_{11} = 0.3 \, S, Y_{12} = 0.3 \, S \)
  • (3) \( Y_{11} = -0.1 \, S, Y_{12} = 0.3 \, S \)
  • (4) \( Y_{11} = -0.3 \, S, Y_{12} = 1.0 \, S \)

Question 7:

The product of maxterms for the given boolean function is: \[ Y = ab + a'c \]
Choose the correct answer from the options given below:

  • (1) \( M_0, M_3, M_5, M_7 \)
  • (2) \( M_1, M_3, M_5, M_7 \)
  • (3) \( M_2, M_3, M_5, M_7 \)
  • (4) \( M_1, M_2, M_5, M_7 \)

Question 8:

Characteristic equation (\( Q_{next} \)) is provided for the different flip-flops:

  • (A) \( Q_{next} = S Q + R Q' \)
  • (B) \( Q_{next} = S Q' + R Q \)
  • (C) \( Q_{next} = T Q' + T' Q \)

  • Choose the correct answer from the options given below:
  • (1) (A) and (D) only
  • (2) (B) and (D) only
  • (3) (A) and (C) only
  • (4) (C) and (D) only

Question 9:

The number of flip-flops required to implement a MOD-31 counter are:

  • (A) 25
  • (B) 5
  • (C) 12
  • (D) 24

Question 10:

The output frequency for an 8-bit Johnson counter is ......... if the applied input frequency is 256 GHz.

  • (A) 128 GHz
  • (B) 64 GHz
  • (C) 128 MHz
  • (D) 256 MHz

Question 11:

Match List-I with List-II:

Choose the correct answer from the options given below:

  • (1) (A) – (I), (B) – (II), (C) – (III), (D) – (IV)
  • (2) (A) – (I), (B) – (III), (C) – (II), (D) – (IV)
  • (3) (A) – (I), (B) – (II), (C) – (IV), (D) – (III)
  • (4) (A) – (III), (B) – (I), (C) – (IV), (D) – (II)

Question 12:

The percentage of the total power carried by the sidebands of the AM wave for tone modulation when the modulation index is 0.3 is:

  • (1) 30%
  • (2) 4.3%
  • (3) 43%
  • (4) 3%

Question 13:

Match List-I with List-II:

Choose the correct answer from the options given below:

  • (1) (A)–(I), (B)–(II), (C)–(III), (D)–(IV)
  • (2) (A)–(IV), (B)–(III), (C)–(II), (D)–(I)
  • (3) (A)–(III), (B)–(IV), (C)–(I), (D)–(II)
  • (4) (A)–(I), (B)–(II), (C)–(IV), (D)–(III)

Question 14:

In amplitude modulation:

  • (A) The envelope detector operates properly, only if \((1/f_c) \leq RC \leq (1/f_m)\)
  • (B) Vestigial sideband modulation is used in television broadcasting.
  • (C) Selective fading produces more distortion in SSB-SC systems than in DSB-SC.
  • (D) Efficiency of a suppressed carrier system is 100%, whereas in AM the maximum efficiency is only 33.3%.

  • Choose the correct answer from the options given below:
  • (1) (A), (B) and (D) only
  • (2) (B) and (C) only
  • (3) (A), (C) and (D) only
  • (4) (B), (C) and (D) only

Question 15:

The transmission efficiency of an ordinary AM signal with a modulation percentage of 80% is:

  • (1) 24.24%
  • (2) 48.49%
  • (3) 20.22%
  • (4) 33.33%

Question 16:

Consider the following statements:

  • (A) Built-in potential across a diode reduces with increase in temperature.
  • (B) Electron concentration of n-type semiconductor equals intrinsic concentration at Curie temperature.
  • (C) Drain current of MOSFET is a positive temperature coefficient (PTC).
  • (D) Collector current of BJT has a PTC.

  • Choose the correct statements:
  • (1) (A), (B) and (D) only
  • (2) (A), (B) and (C) only
  • (3) (A), (B), (C) and (D)
  • (4) (B), (C) and (D) only

Question 17:

In GaAsP, if \(E_g = 1.9 \, eV\), the emission wavelength is:

  • (1) 7538 Å
  • (2) 6538 Å
  • (3) 6533 Å
  • (4) 6133 Å

Question 18:

Match List-I with List-II:

Choose the correct answer from the options given below:

  • (1) (A)–(I), (B)–(II), (C)–(III), (D)–(IV)
  • (2) (A)–(IV), (B)–(I), (C)–(II), (D)–(III)
  • (3) (A)–(III), (B)–(C), (C)–(IV), (D)–(I)
  • (4) (A)–(III), (B)–(IV), (C)–(I), (D)–(II)

Question 19:

The consequences of Early effect on BJT are:

  • (A) Effective base width reduces.
  • (B) Emitter injection efficiency and base transport factor increase.
  • (C) \(\alpha\) and \(\beta\) decrease.
  • (D) Emitter injection efficiency and base transport factor decrease.

  • Choose the correct answer:
  • (1) (A) and (B) only
  • (2) (A), (B) and (C) only
  • (3) (C) and (D) only
  • (4) (B), (C) and (D) only

Question 20:

The DC collector current for a BJT with \(\alpha = 0.99\), \(I_B = 25 \, \mu A\) and \(I_{CBO} = 200 \, nA\) is:

  • (1) 2.495 mA
  • (2) 2.518 mA
  • (3) 2.9 mA
  • (4) 250 nA

Question 22:

Arrange the following devices in increasing order of their input resistances:

  • (A) MOSFET
  • (B) BJT
  • (C) JFET
  • (D) PN junction diode
  • (1) (A), (B), (C), (D)
  • (2) (A), (C), (B), (D)
  • (3) (B), (A), (D), (C)
  • (4) (B), (A), (C), (D)

Question 23:

Match List-I with List-II:

Choose the correct answer from the options given below:

  • (1) (A) – (I), (B) – (II), (C) – (III), (D) – (IV)
  • (2) (A) – (IV), (B) – (II), (C) – (III), (D) – (I)
  • (3) (A) – (II), (B) – (III), (C) – (IV), (D) – (I)
  • (4) (A) – (III), (B) – (IV), (C) – (II), (D) – (I)

Question 24:

Express \(v_{out}\) in terms of \(v_{in}\) for the given circuit, assuming the op-amp is ideal.

  • (1) \( 1.2 v_{in} \)
  • (2) \( v_{in} \)
  • (3) \( 0.5 v_{in} \)
  • (4) \( 4.0 \)

Question 25:

Considering the op-amp to be ideal, the \(v_{out}\) is expressed as:

  • (1) \( 0.5(v_1 + v_2)(1 + \frac{R_2}{R_1}) \)
  • (2) \( (v_1 + v_2)(1 + \frac{R_2}{R_1}) \)
  • (3) \( 1.5(v_1 + v_2)(1 + \frac{R_2}{R_1}) \)
  • (4) \( 0.5(v_1 - v_2)(1 + \frac{R_2}{R_1}) \)

Question 26:

Arrange the following fabrication steps of MOSFET from initials:

  • (A) Metallization
  • (B) Oxidation
  • (C) Etching
  • (D) Diffusion/Ion implantation

Choose the correct answer from the options given below:

  • (1) (A), (B), (C), (D)
  • (2) (B), (C), (A), (D)
  • (3) (B), (A), (D), (C)
  • (4) (B), (C), (D), (A)

Question 27:

The cutoff frequency of a first order low pass filter for \(R_1 = 1.2 \, k\Omega\) and \(C_1 = 0.02 \, \mu F\) is:

  • (1) 1.86 kHz
  • (2) 2.63 kHz
  • (3) 6.63 kHz
  • (4) 10.63 kHz

Question 28:

Match List-I with List-II:

Choose the correct answer from the options given below:

  • (1) (A) – (III), (B) – (II), (C) – (I)
  • (2) (A) – (I), (B) – (III), (C) – (II)
  • (3) (A) – (II), (B) – (III), (C) – (I)
  • (4) (A) – (III), (B) – (I), (C) – (II)

Question 29:

The unit of ratio of diffusion constant (D) and mobility (\(\mu\)) is:

  • (1) cm\(^2\)/V-sec
  • (2) Volts
  • (3) cm\(^2\)/sec
  • (4) A/m\(^2\)

Question 30:

A silicon crystal is doped with a group III element, the electron concentration falls below intrinsic concentration by a factor of \(10^6\), so the concentration of impurity present is:

  • (1) \( 1.5 \times 10^{16} \, cm^{-3} \)
  • (2) \( 1.5 \times 10^{10} \, cm^{-3} \)
  • (3) \( 1.5 \times 10^{14} \, cm^{-3} \)
  • (4) \( 2.25 \times 10^{14} \, cm^{-3} \)

Question 31:


Choose the wrong option from the following for the given statement.
Statement: Electric field is conservative.

  • (1) curl to be identically zero.
  • (2) potential difference between any two points is zero.
  • (3) gradient of a scalar potential gives magnitude of electric field.
  • (4) work done in a closed path inside the field is zero.

Question 32:


Choose the correct answer from the options given below.

A. \( \vec{\nabla} \times \vec{B} = \mu_0 \vec{J} \) represents Ampere's circuital law.
B. \( \vec{\nabla} \cdot \vec{B} = 0 \) represents magnetic monopole doesn't exist experimentally.
C. \( \vec{\nabla} \times \vec{E} = 0 \) represents the conservative nature of the electric field.
D. \( \vec{\nabla} \times \vec{A} = 0 \) represents the solenoidal condition for a vector field.

Choose the correct answer from the options given below:

  • (1) (A), (B) and (D) only.
  • (2) (A), (B) and (C) only.
  • (3) (A), (B), (C) and (D).
  • (4) (A), (C) and (D) only.

Question 33:


Match List-I with List-II

Choose the correct answer from the options given below:

  • (1) (A) - (II), (B) - (III), (C) - (IV), (D) - (I)
  • (2) (A) - (I), (B) - (II), (C) - (IV), (D) - (III)
  • (3) (A) - (III), (B) - (I), (C) - (IV), (D) - (II)
  • (4) (A) - (II), (B) - (I), (C) - (III), (D) - (IV)

Question 34:

Gauss's law in magnetostatics is expressed as,

  • (1) \( \oint \vec{B} \cdot d\vec{S} = 0 \)
  • (2) \( \oint \vec{B} \cdot d\vec{I} = 0 \)
  • (3) \( \oint \vec{B} \cdot \vec{n} dV = 0 \)
  • (4) \( \oint \vec{B} \cdot d\vec{l} = \mu_0 I_{enc} \)

Question 35:


If in a free space, the electric field is given as: \[ \vec{E} = 20 \cos(\omega t - 50x) \hat{y} \, V/m \]
then, the expression of displacement current density \( J_d \) is:

  • (1) \( -20 \omega \epsilon_0 \cos(\omega t - 50x) \hat{y} \, A/m^2 \)
  • (2) \( -20 \omega \epsilon_0 \sin(\omega t - 50x) \hat{y} \, A/m^2 \)
  • (3) \( -10 \omega \epsilon_0 \sin(\omega t - 50x) \hat{y} \, A/m^2 \)
  • (4) \( -20 \omega \sin(\omega t - 50x) \hat{y} \, A/m^2 \)

Question 36:


If electric \( \vec{E}(r,t) \) and magnetic \( \vec{B}(r,t) \) fields are defined as \[ \vec{E}(r,t) = \vec{E}_0 e^{i(k \cdot r - \omega t)} \hat{n}, \quad \vec{B}(r,t) = \frac{1}{c} \hat{k} \times \vec{E}(r,t) \]
where \( k \) is the propagation vector and \( \hat{n} \) is the polarization vector. E and B are transverse in nature, if they satisfy which of the following conditions?

  • (1) \( \hat{n} \times k = 0 \)
  • (2) \( \hat{n} \cdot k = 0 \)
  • (3) \( \hat{n} \times \hat{k} = 0 \)
  • (4) \( k \cdot r = 0 \)

Question 37:


The characteristic length scale of nanomaterials is:

  • (1) 1-100 nm
  • (2) 1-500 nm
  • (3) 1-200 nm
  • (4) 1-300 nm

Question 38:

Match List-I with List-II

Choose the correct answer from the options given below:

  • (1) (A) - (II), (B) - (III), (C) - (IV), (D) - (I)
  • (2) (A) - (I), (B) - (II), (C) - (III), (D) - (IV)
  • (3) (A) - (III), (B) - (I), (C) - (IV), (D) - (II)
  • (4) (A) - (II), (B) - (I), (C) - (III), (D) - (IV)

Question 39:


If the diameter of the chiral carbon nanotubes increases, then

  • (1) the band gap of semiconducting chiral carbon nanotubes decreases linearly
  • (2) the band gap of semiconducting chiral carbon nanotubes increases linearly
  • (3) the band gap of semiconducting chiral carbon nanotubes decreases exponentially
  • (4) the band gap of semiconducting chiral carbon nanotubes increases exponentially

Question 40:


The Extreme Ultraviolet (EUV) lithography employs .......... wavelength.

  • (1) 13.5 nm
  • (2) 53.5 nm
  • (3) 100 nm
  • (4) 50 nm

Question 41:

Attenuation in optical fibre can be measured in:

  • (1) KdB/m
  • (2) dB/m
  • (3) dB/km
  • (4) dB/mm

Question 42:

........... nanoparticles are extraordinarily efficient for clinical diagnostic purposes as they give strong signatures in optical absorption, fluorescence spectroscopy, X-Ray diffraction, and electrical conductivity.

  • (1) Silver
  • (2) Copper
  • (3) Gold
  • (4) Iron

Question 43:

Bio-functionalization of magnetic nanoparticles has been extensively used for the development of biosensors such as:

  • (1) Fe₃O₄
  • (2) ZnO
  • (3) C₅O₂H₈
  • (4) GaAs

Question 44:

A multiplexer (MUX)

  • (A) is a parallel to serial converter
  • (B) is also known as data distributor
  • (C) can be used as a logic function generator
  • (D) switch the data from several lines to one line

    Choose the correct answer from the options given below:
  • (1) (A), (B), (C) and (D)
  • (2) (A), (B) and (D) only
  • (3) (B), (C) and (D) only
  • (4) (A), (C) and (D) only

Question 45:

A 32:1 Mux can be designed using:

  • (1) two 16:1 Muxs and one two-input OR gate
  • (2) two 16:1 Muxs and one two-input AND gate
  • (3) two 16:1 Muxs and one two-input NOR gate
  • (4) two 16:1 Muxs only

Question 46:

In the first window of optical fibre, light sources are generally:

  • (1) GaAlP
  • (2) GaAlBr
  • (3) GaAlAs
  • (4) GeAlAs

Question 47:

Following statements are given in reference to 8085 Microprocessor:

  • (A) Its memory size is 64 KB
  • (B) It is a 40-pin IC
  • (C) Its clock frequency lies between 3 to 5 MHz
  • (D) It has 16 bit of each data and address lines.

  • Choose the correct answer from the options given below:
  • (1) (A), (B) and (D) only
  • (2) (A), (B) and (C) only
  • (3) (A), (B), (C) and (D)
  • (4) (B), (C) and (D) only

Question 48:

Fibre optic sensors may be classified into three categories. Choose the incorrect option.

  • (1) Intensity-modulated sensors
  • (2) Phase sensors
  • (3) Diffraction sensors
  • (4) Conducting sensors

Question 49:

Which of the following is the most appropriate transmission frequency in optical fibre?

  • (1) \(10^9\) Hz
  • (2) \(10^{11}\) Hz
  • (3) \(10^{14}\) Hz
  • (4) \(10^4\) Hz

Question 50:

Which part of optical fibre has a higher refractive index:

  • (1) Core
  • (2) Cladding
  • (3) Seath
  • (4) Both Cladding and Seath

Question 51:

Match List-I with List-II


Choose the correct answer from the options given below:

  • (1) (A) = (I), (B) = (II), (C) = (III), (D) = (IV)
  • (2) (A) = (III), (B) = (IV), (C) = (I), (D) = (II)
  • (3) (A) = (I), (B) = (II), (C) = (IV), (D) = (III)
  • (4) (A) = (III), (B) = (IV), (C) = (II), (D) = (I)

Question 52:

(A) MOV A, C is a one-byte instruction.
(B) OUT 03 H is a two-byte instruction.
(C) ANI 76 H is a three-byte instruction.
(D) STA 3000 H is a three-byte instruction.

Choose the correct answer from the options given below:

  • (1) (A), (B), and (D) only
  • (2) (A), (B), and (C) only
  • (3) (A), (B), (C), and (D)
  • (4) (B), (C), and (D) only

Question 53:

Which of the following statements about hydrogen peroxide is INCORRECT?

  • (1) It is a chemical threat agent as its excessive concentration as a product of industry and from atomic power stations affects the environment.
  • (2) It can not be used for the disinfection of water pools, food, and beverage packages as it is a chemical threat agent.
  • (3) It is the most valuable marker for oxidative stress and recognized as one of the major risk factors in the progression of disease-related pathophysiological complications in diabetes.
  • (4) It is the most valuable marker for inflammatory processes and a mediator for apoptotic cell death.

Question 54:

Match List-I with List-II


Choose the correct answer from the options given below:

  • (1) (A) = (I), (B) = (II), (C) = (III), (D) = (IV)
  • (2) (A) = (III), (B) = (IV), (C) = (I), (D) = (II)
  • (3) (A) = (IV), (B) = (III), (C) = (II), (D) = (I)
  • (4) (A) = (II), (B) = (I), (C) = (IV), (D) = (III)

Question 55:

............ refers to the inability to faithfully repeat recorded data output when measuring a range of values and scanning from different directions.

  • (1) Selectivity
  • (2) Resolution
  • (3) Hysteresis
  • (4) Detection limit

Question 56:

........ is the vector address of the TRAP interrupt.

  • (1) 003C H
  • (2) 0024 H
  • (3) 002C H
  • (4) 0034 H

Question 57:

What is the word length of an 8-bit microprocessor?

  • (1) 16 bit
  • (2) 32 bit
  • (3) 8 bit
  • (4) may vary in between 8 bit to 32 bit

Question 58:

To expand a 4-bit parallel adder to an 8-bit parallel adder, we can

  • (A) use two 4-bit adders and connect the sum output of one to the input bit of the other
  • (B) use four 4-bit adders with no interconnections
  • (C) use two 4-bit adders with the carry output of one connected to the carry input of the other
  • (D) use eight 4-bit adders with no interconnections
  • Choose the correct answer from the options given below:
  • (1) (A), (C) only
  • (2) (B), (D) only
  • (3) (A) only
  • (4) (C) only

Question 59:

Which of the following statement(s) about Digital-to-Analog (DAC) converter is/are correct?

  • (A) DAC is said to be monotonic if its output decreases as the binary input is incremented from one value to the next.
  • (B) Ideally, the output of a DAC should be zero when the binary input is zero.
  • (C) The operating speed of a DAC is usually specified by giving its settling time.
  • (D) Resolution is the reciprocal of the number of discrete steps in the full-scale output of the DAC.
  • Choose the correct answer from the options given below:
  • (1) (A), (B), and (D) only
  • (2) (A), (B), and (C) only
  • (3) (A), (B), (C), and (D)
  • (4) (B), (C), and (D) only

Question 60:

Major problems with the large-scale utilization of carbon nanotubes

  • (A) synthesis in pure forms
  • (B) dispersion in solvents
  • (C) reducing their length
  • (D) tailoring into a desired orientation

Choose the correct answer from the options given below:

  • (1) (A), (B), and (D) only
  • (2) (A), (B), and (C) only
  • (3) (A), (B), (C), and (D)
  • (4) (B), (C), and (D) only

Question 61:

Match List-I with List-II


Choose the correct answer from the options given below:

  • (1) (A) - (I), (B) - (III), (C) - (II), (D) - (IV)
  • (2) (A) - (II), (B) - (III), (C) - (IV), (D) - (I)
  • (3) (A) - (I), (B) - (III), (C) - (IV), (D) - (II)
  • (4) (A) - (II), (B) - (IV), (C) - (I), (D) - (III)

Question 62:


In nanomaterials production, according to Aufbau principle the self-assembly of complicated structures takes place in a hierarchical fashion in the following sequence:

  • (A) the linear chains are bundled to form two-dimensional monolayers
  • (B) single molecules join up to form linear chains
  • (C) a finite number of independent molecules
  • (D) the two-dimensional monolayers are stacked to form the final three-dimensional crystal

  • Choose the correct answer from the options given below:
  • (1) (A) - (B), (C) - (D)
  • (2) (A) - (C), (B) - (D)
  • (3) (B) - (A), (C) - (D)
  • (4) (C) - (B), (A) - (D)

Question 63:


The number of cubes of each side 1 nm and the collective surface area that can be carved out from a cube with each side of 1 m are respectively:

  • (1) \( 1 \times 10^{27} \) and 6000 km²
  • (2) \( 1 \times 10^{27} \) and 600 km²
  • (3) \( 1 \times 10^{25} \) and 5000 km²
  • (4) \( 1 \times 10^{27} \) and 500 km²

Question 64:


The process of transferring a pattern into a reactive polymer film which will subsequently be used to replicate that pattern into an underlying thin film is called:

  • (1) Electrochemical Deposition
  • (2) Lithography
  • (3) Mechanical Exfoliation
  • (4) Electroless Deposition

Question 65:


The process of synthesizing large polymer molecules is:

  • (1) top-down approach
  • (2) bottom-up approach
  • (3) spontaneous process
  • (4) forced process

Question 66:


Match List-I with List-II

Choose the correct answer from the options below:

  • (1) (A) = (I), (B) = (II), (C) = (IV), (D) = (III)
  • (2) (A) = (II), (B) = (III), (C) = (I), (D) = (IV)
  • (3) (A) = (I), (B) = (III), (C) = (IV), (D) = (II)
  • (4) (A) = (III), (B) = (IV), (C) = (II), (D) = (I)

Question 67:


The process of transferring growth species from a source or target and depositing them on a substrate to form a film is called:

  • (1) Molecular Beam Epitaxy
  • (2) Physical Vapor Deposition
  • (3) Chemical Vapor Deposition
  • (4) Atomic Layer Deposition

Question 68:


In X-ray diffraction, a collimated beam of X-rays, with most appropriate wavelength ranging from .......... is incident on a specimen and is diffracted by the crystalline phases of the specimen:

  • (1) 0.1 to 2 Å
  • (2) 5 to 10 Å
  • (3) 10 to 20 Å
  • (4) 20 to 30 Å

Question 69:


........... are electromagnetic radiation with typical photon energies in the range of 100 eV to 100 keV:

  • (1) X-rays
  • (2) Infrared rays
  • (3) Optical spectroscopy
  • (4) Raman spectroscopy

Question 70:


Measurement of grain size by using X-ray diffraction line broadening can be done by:

  • (1) Bragg’s Law
  • (2) Debye-Scherrer Formula
  • (3) Total Internal Reflection
  • (4) Moseley Law

Question 71:

Quantum well lasers were first fabricated using the ............ material systems.

  • (1) InGaAsN/GaAs
  • (2) GaAs/AlGaAs
  • (3) InGaAsP/InP
  • (4) GaAs/InP

Question 72:

The measurement of Nitric Oxide (NO) is quite difficult due to its ........ half-life and ........ reactivity with other biological components such as superoxide, oxygen, thiols.

  • (1) Short, High
  • (2) Short, Low
  • (3) Long, High
  • (4) Long, Low

Question 73:

In the ISFET pH measurement system, the voltage circuit has ........ impedance and the current circuit has ......... impedance.

  • (1) High, Low
  • (2) zero, High
  • (3) Low, zero
  • (4) Low, High

Question 74:

.......... type of electrochemical detection measures the electric current associated with the electron transfer involved in redox processes whereas ............ type of electrochemical detection measures conductance or capacitance changes associated with changes in the overall ionic medium between the two electrodes.

  • (1) Amperometry, potentiometry
  • (2) Potentiometry, impedance spectroscopy
  • (3) Amperometry, impedance spectroscopy
  • (4) Potentiometry, amperometry

Question 75:

Which of the following statements is incorrect about Light-addressable potentiometric sensors (LAPS)?

  • (1) In the LAPS with EIS structure, a semiconductor substrate (silicon) is covered with an insulator (SiO2).
  • (2) An enzyme deposited on the LAPS surface allows one to observe the spatial distribution of a specific substrate.
  • (3) In the LAPS with electrolyte-insulator-semiconductor (EIS) structure, a semiconductor substrate (silicon) is covered with an insulator (SiO2).
  • (4) A sensing ion-selective layer, for instance, pH-sensitive S3N4, is deposited on the bottom of the insulator.

Fees Structure

Structure based on different categories

CategoriesState
General1750
sc1650

In case of any inaccuracy, Notify Us! 

Comments


No Comments To Show