MH Board Class 12 Mathematics & Statistics Question Paper 2025 PDF is available for download here. The exam assessed students on key mathematical and statistical concepts with a total of 100 marks. Students described the paper as moderately challenging.
MH Board Class 12 Mathematics & Statistics 2025 Question Paper with Answer Key PDF
| MH Board Class 12 Mathematics & Statistics Question Paper with Solutions PDF | Download PDF | Check Solutions |
MH Board Class 12 Mathematics & Statistics 2025 Question Paper with Solutions
Select and write the correct answer of the following multiple choice type questions:
(i) If \( A = \{1, 2, 3, 4, 5\} \), then which of the following is not true?
In \(\triangle ABC\), \((a + b) \cdot \cos C + (b + c) \cdot \cos A + (c + a) \cdot \cos B\) is equal to .........
If \(|\vec{a}| = 5\), \(|\vec{b}| = 13\), and \(|\vec{a} \times \vec{b}| = 25\), then \(|\vec{a} \cdot \vec{b}|\) is equal to ........
The vector equation of the line passing through the point having position vector \( 4\hat{i} - \hat{j} + 2\hat{k} \) and parallel to vector \( -2\hat{i} - \hat{j} + \hat{k} \) is given by .........
Let \( f(1) = 3 \), \( f'(1) = -\frac{1}{3} \), \( g(1) = -4 \), and \( g'(1) = -\frac{8}{3} \). The derivative of \( \sqrt{[f(x)]^2 + [g(x)]^2} \) w.r.t. \( x \) at \( x = 1 \) is ........
If the mean and variance of a binomial distribution are 18 and 12 respectively, then \( n \) is equal to .......
The value of \( \int x^x(1 + \log x) \, dx \) is equal to ...........
The area bounded by the line \( y = x \), X-axis and the lines \( x = -1 \) and \( x = 4 \) is equal to .......... (in square units).
Write the negation of the statement: \( \exists n \in \mathbb{N} \) such that \( n + 8 > 11 \).
Write the unit vector in the opposite direction to \( \vec{u} = 8\hat{i} + 3\hat{j} - \hat{k} \).
Write the order of the differential equation \[ \sqrt{1 + \left( \frac{dy}{dx} \right)^2} = \left( \frac{d^2y}{dx^2} \right)^{\frac{3}{2}}. \]
Write the condition for the function \( f(x) \), to be strictly increasing, for all \( x \in \mathbb{R} \).
Using truth table, prove that the statement patterns \( p \leftrightarrow q \) and \( (p \land q) \lor (\sim p \land \sim q) \) are logically equivalent.
Find the adjoint of the matrix 
Find the general solution of \( \tan^2 \theta = 1 \).
Find the coordinates of the points of intersection of the lines represented by \( x^2 - y^2 - 2x + 1 = 0 \).
A line makes angles of measure 45° and 60° with the positive directions of the \( Y \) and \( Z \) axes respectively. Find the angle made by the line with the positive direction of the \( X \)-axis.
Find the vector equation of the plane passing through the point having position vector \( 2\hat{i} + 3\hat{j} + 4\hat{k} \) and perpendicular to the vector \( 2\hat{i} + \hat{j} - 2\hat{k} \).
Divide the number 20 into two parts such that the sum of their squares is minimum.
Evaluate: \( \int x^9 \cdot \sec^2(x^{10}) \, dx \).
Evaluate: \( \int \frac{1}{25 - 9x^2} \, dx \)
Evaluate: \( \int_{\frac{\pi}{4}}^{\frac{\pi}{2}} \frac{1}{1 - \sin x} \, dx \)
Find the area of the region bounded by the parabola \( y^2 = 16x \) and its latus rectum.
Suppose that \( X \) is the waiting time in minutes for a bus and its p.d.f. is given by: \[ f(x) = \frac{1}{5}, \quad for 0 \leq x \leq 5, \quad and \quad f(x) = 0, \quad otherwise. \]
Find the probability that:
(i) waiting time is between 1 to 3 minutes.
(ii) waiting time is more than 4 minutes.
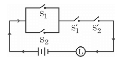
Express the following switching circuit in the symbolic form of logic. Construct the switching table and interpret it.

Prove that: \( 2 \tan^{-1} \left( \frac{1}{3} \right) + \cos^{-1} \left( \frac{3}{5} \right) = \frac{\pi}{2} \).
In \( \triangle ABC \), if \( a = 13 \), \( b = 14 \), and \( c = 15 \), then find the values of:
(i) \( \sec A \)
(ii) \( \csc \frac{A}{2} \)
A line passes through the points \( (6, -7, -1) \) and \( (2, -3, 1) \). Find the direction ratios and the direction cosines of the line. Show that the line does not pass through the origin.
Find the cartesian and vector equations of the line passing through \( A(1, 2, 3) \) and having direction ratios \( 2, 3, 7 \).
Find the vector equation of the plane passing through points \( A(1, 1, 2) \), \( B(0, 2, 3) \), and \( C(4, 5, 6) \).
Find the \( n \)th order derivative of \( \log x \).
The displacement of a particle at time \( t \) is given by \( s = 2t^3 - 5t^2 + 4t - 3 \). Find the velocity and displacement at the time when the acceleration is \( 14 \, ft/sec^2 \).
Find the equations of the tangent and normal to the curve \( y = 2x^3 - x^2 + 2 \) at the point \( \left( \frac{1}{2}, 2 \right) \).
Three coins are tossed simultaneously, \( X \) is the number of heads. Find the expected value and variance of \( X \).
Solve the differential equation: \( x \frac{dy}{dx} = x \cdot \tan \left( \frac{y}{x} \right) + y \).
Five cards are drawn successively with replacement from a well-shuffled deck of 52 cards. Find the probability that:
(i) all the five cards are spades.
(ii) none is spade.
Prove that the homogeneous equation of degree two in \( x \) and \( y \), \( ax^2 + 2hxy + by^2 = 0 \), represents a pair of lines passing through the origin if \( h^2 - ab \geq 0 \). Hence, show that the equation \( x^2 + y^2 = 0 \) does not represent a pair of lines.
Let \( \vec{a} \) and \( \vec{b} \) be non-collinear vectors. If vector \( \vec{r} \) is coplanar with \( \vec{a} \) and \( \vec{b} \), then show that there exist unique scalars \( t_1 \) and \( t_2 \) such that \( \vec{r} = t_1 \vec{a} + t_2 \vec{b} \). For \( \vec{r} = 2\hat{i} + 7\hat{j} + 9\hat{k} \), \( \vec{a} = \hat{i} + 2\hat{j} \), \( \vec{b} = \hat{j} + 3\hat{k} \), find \( t_1, t_2 \).
Solve the linear programming problem graphically.
Maximize: \( z = 3x + 5y \)
Subject to: \[ x + 4y \leq 24, \quad 3x + y \leq 21, \quad x + y \leq 9, \quad x \geq 0, \quad y \geq 0 \]
Also, find the maximum value of \( z \).
If \( x = f(t) \) and \( y = g(t) \) are differentiable functions of \( t \) so that \( y \) is a function of \( x \) and if \( \frac{dx}{dt} \neq 0 \), then prove that \[ \frac{dy}{dx} = \frac{\frac{dy}{dt}}{\frac{dx}{dt}}. \]
Hence, find the derivative of \( 7^x \) with respect to \( x^7 \).
Evaluate: \[ \int \sin^{-1} x \left( \frac{x + \sqrt{1 - x^2}}{\sqrt{1 - x^2}} \right) dx \]
Prove that: \[ \int_a^b f(x) \, dx = \int_a^b f(a + b - x) \, dx \]
Hence, evaluate: \[ \int_0^3 \frac{\sqrt{x}}{\sqrt{x + \sqrt{3 - x}}} \, dx \]
If a body cools from 80°C to 50°C at room temperature of 25°C in 30 minutes, find the temperature of the body after 1 hour.




Comments